产品展示

我们提供可定制的和标准的电站阀门,满足不同需求!
各种类型的低、中、高压阀门,尺寸规格可根据项目需求定制!
序号 名称 产品描述 参考图片
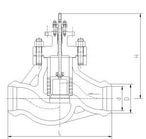
31 直通单座带副阀瓣单级调节阀 直通式阀体,副阀瓣不平衡式设计,密封性能好。通过阀瓣的上下运动,改变节流套的节流面积,从而实现调节作用。
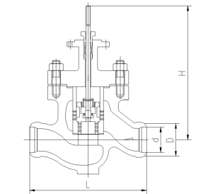
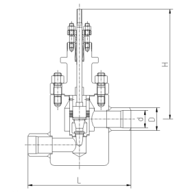
32 直通单座带副阀瓣多级调节阀 直通式阀体,副阀瓣平衡式设计,降低动作推力,通过阀瓣的上下运动,改变节流套的节流面积,从而实现调节作用。
33 直通双座双通道单级调节阀 直通式阀体,双阀座平衡式设计,有效降低动作推力,操作灵活不卡涩,流通能力强。
34 直通单座微量多级调节阀 直通式阀体,单阀座不平衡式设计,密封性能好。
35 直通单座带副阀瓣变压差多级调节阀 直通式阀体,副阀瓣平衡式设计,有效降低动作推力,操作灵活不卡涩,密封性能良好。
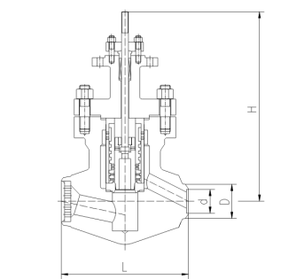
36 角式单座迷宫多级调节阀 角式阀体,阀握不平衡式设计,密封性能好。
37 Z型单座轴流多级调节阀 Z型阀体,阀不平衡式设计,密封性能好。
38 直通单座直喷式减温调节阀 直通式阀体,阅赠不平衡式设计,密封性能好。
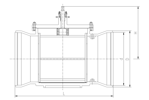
39 直通双座低压大口径调节阀 直通式阀体,双阀座平衡式设计,有效降低动作推力,操作灵活不卡涩,流通能力强。
40 直通回转式低压大口径调节阀 直通式阀体,回转式阀瓣,行程短,动作快,操作灵活不卡涩,流通能力强。